Bomba centrífuga de 15 CV para piscina
- Bomba centrífuga
- Potencia: 15 CV
- De gran caudal en fundición de hierro
- 2.850 r.p.m.
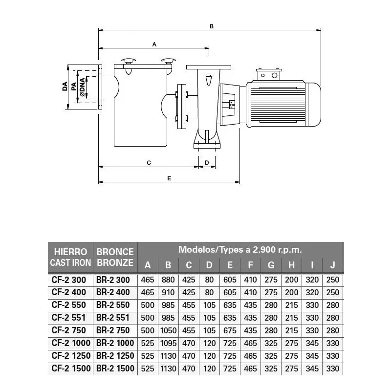
Características Técnicas
Bomba centrífuga 15 CV
Bomba centrífuga de gran caudal en fundición de hierro, a la que se le ha incorporado un prefiltro en la aspiración, lo cual hace de ellas la bomba ideal para grandes equipos de filtración.
Cuerpo bomba, soporte, prefiltro, acoplamiento y turbina en fundición de hierro, con su pretratamiento de pintura epoxi-poliéster y secado al horno para darle más resistencia a la oxidación.
- Eje y cesto prefiltro en acero inoxidable.
- Cierre mecánico en carbón-cerámica.
- Motor asíncrono estándar, cerrado de ventilación externa.
- Grado de protección IP-54.
- 2.850 rpm. 50 Hz.
- Diámetro aspiración: DN125*.
- Diámetro impulsión: DN100.
Mantenimiento:
El mantenimiento de estas bombas es fácil y simple, ya que la construcción de la bomba, que incorpora un motor totalmente normalizado permite cambiar o reparar dicho motor sin necesidad de vaciar la instalación ni desmontar ninguna pieza de la parte hidráulica de la bomba, aún en el caso de no disponer de válvulas de cierre en la entrada y salida
- VOLTAJE DE SERIE: HASTA 5,5 HP 220-380.
- VOLT. A PARTIR DE 7,5 HP 380-660 VOLT.
LA VERSIÓN BRONCE SE COTIZA Y SE DA PLAZO DE ENTREGA BAJO CONSULTA.
Ficha Técnica
- Velocidad Variable
- No
- Potencia (CV)
- 15 CV
Últimos Productos visitados
Recambio Zodiac Diafragma Baracuda, Classic, Manta y Super Manta
Gresite antideslizante Clase 3 para piscinas Hisbalit azul celeste niebla modelo ARAL





