Pompe centrifuge de piscine de 5,5 CV
- Pompe centrifuge
- Puissance : 5.5 HP
- Haut débit en fonte
- 2.850 r.p.m.
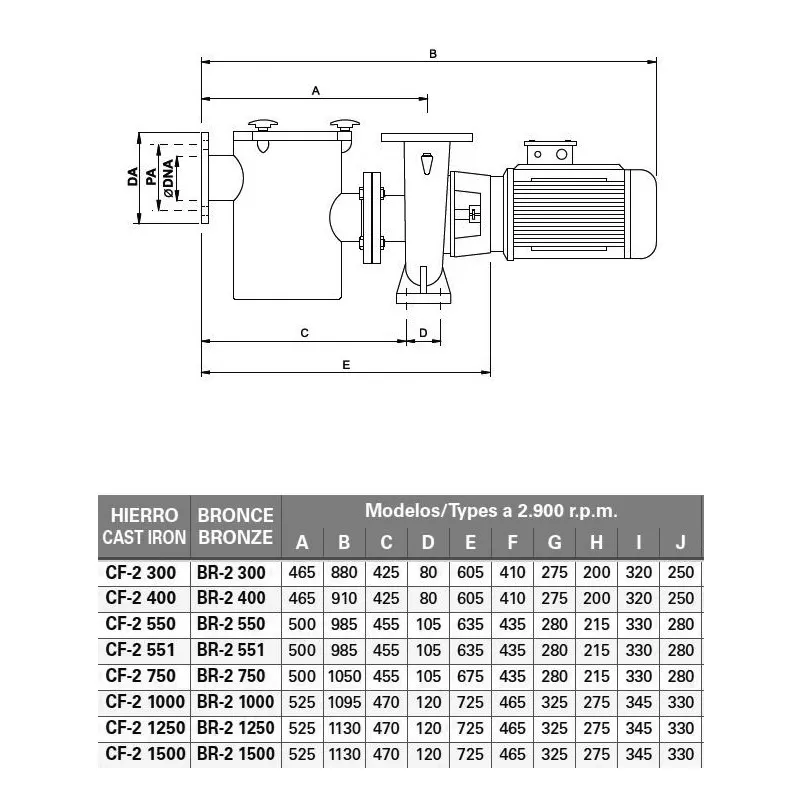
Technique caractéristiques
Pompe centrifuge 5,5 HP
Pompe centrifuge à haut débit en fonte, avec préfiltre à l'aspiration, ce qui en fait la pompe idéale pour les grands équipements de filtration.
Corps de pompe, support, préfiltre, accouplement et turbine en fonte, prétraités avec une peinture époxy-polyester et séchés au four pour les rendre plus résistants à l'oxydation.
- Arbre et panier du préfiltre en acier inoxydable.
- Garniture mécanique en carbone-céramique.
- Moteur asynchrone standard, fermé avec ventilation externe.
- Degré de protection IP-54.
- 2.850 rpm. 50 Hz.
- Diamètre d'entrée : DN125*
- Diamètre de refoulement : DN100.
Entretien :
L'entretien de ces pompes est facile et simple, car la construction de la pompe, qui incorpore un moteur entièrement normalisé, permet de changer ou de réparer le moteur sans avoir à vider l'installation ou à démonter une partie quelconque de la partie hydraulique de la pompe, même s'il n'y a pas de vannes d'arrêt à l'entrée et à la sortie
- TENSION STANDARD : JUSQU'A 5,5 HP 220-380.
- TENSION. À PARTIR DE 7,5 HP 380-660 VOLTS.
LA VERSION EN BRONZE FAIT L'OBJET D'UN DEVIS ET LE DÉLAI DE LIVRAISON EST INDIQUÉ SUR DEMANDE.
Données Feuille
- Vitesse variable
- Non
- Puissance (hp)
- 5,5 CV
Dernière Produits consultés
Pièces détachées pour nettoyeur de piscine Zodiac Bague d'écartement du flotteur





