12,5 HP centrifugaalpomp voor zwembaden
- Centrifugaalpomp
- Vermogen: 12,5 HP
- Hoog debiet in gietijzer
- 2.850 t.p.m.
Technisch kenmerken
Centrifugaalpomp 12,5 HP
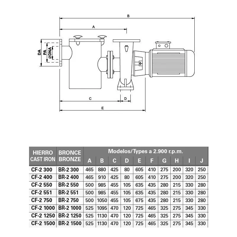
Centrifugaalpomp met hoog debiet van gietijzer, met een voorfilter aan de aanzuig, waardoor het de ideale pomp is voor grote filterinstallaties.
Pomphuis, steun, voorfilter, koppeling en turbine van gietijzer, voorbehandeld met epoxy-polyesterverf en ovengedroogd om het beter bestand te maken tegen oxidatie.
- Roestvaststalen as en voorfilterkorf.
- Mechanische afdichting in koolstofkeramiek.
- Standaard asynchrone motor, gesloten met externe ventilatie.
- Beschermingsgraad IP-54.
- 2.850 rpm. 50 Hz.
- Zuig diameter: DN125*.
- Uitlaat diameter: DN100.
Onderhoud:
Het onderhoud van deze pompen is gemakkelijk en eenvoudig, omdat de constructie van de pomp, die een volledig gestandaardiseerde motor bevat, het mogelijk maakt de motor te vervangen of te repareren zonder dat de installatie leeg hoeft te zijn of enig deel van het hydraulische deel van de pomp hoeft te worden gedemonteerd, zelfs als er geen afsluitkleppen aan de inlaat en uitlaat zijn.
- STANDAARDSPANNING: TOT 5,5 PK 220-380.
- SPANNING. VANAF 7,5 PK 380-660 VOLT.
BRONZEN UITVOERING WORDT OP AANVRAAG GEOFFREERD EN DE LEVERTIJD WORDT VERMELD.
Gegevens Blad
- Variabele snelheid
- Geen
- Vermogen (pk)
- 12,5 PK





